
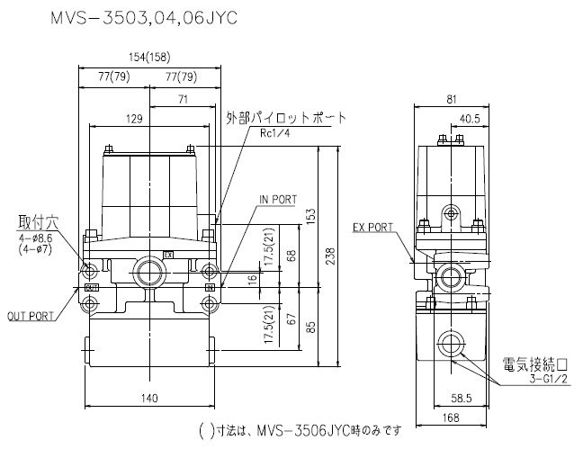
日本TACO产品的主要型号有:NSV-202 NSV-203 NSV-204 NSV-202K3 NSV-203K3 NSV-204K3 NSV-202K1 NSV-203K1 NSV-204K1 NSV-301 NSV-301K1.5 NSV-301K3 NSV-301K14 NSV-302 NSV-302K1.5 NSV-302K3 NSV-302K14 常规型号:MVS-3503YCG MVS-3504YCG MVS-3506YCG MVS-350JYCG MVS-3510YCG MVS-3512YCG MVS-3514YCG MVS-3503YCL MVS-3504YCL MVS-3506YCL MVS-3506JYCL MVS-3510YCG MVS-3503(4,5,6)YCK MVS-3506JYCK MVS-3510(12,14)YCK TACO5通电磁阀530系列 531-100-100F 531-100-1002 532-200-100F 532-200-1000
电磁阀 双联阀 5通滑阀 (1)TACO 511系列: 511-100-100F 511-100-200F 511-100-300F 511-100-400F 511-100-500F 511-100-100J 511-100-200J 511-100-300J 511-100-400J 511-100-500J 511-2T0-1003 (2)TACO 501系列: 501-200-1008 501-200-1004 501-200-2008 501-200-2004 501-200-3008 501-200-3004 501-200-4008 501-200-4004 501-200-5008 501-200-5004 (3)TACO MVS-495系列: MVS-495-02 MVS-495-03J MVD-495-02 MVD-495-03J MVD-534-02 MVD-435-03J MVD-445-02 MVD-445-03J MVD-455-02 MVD-455-03J MVS-495-02K (4)TACO 492系列: MVS-492-02 MVS-492-03J MVD-492-02 MVD-492-03J MVD-432-02 MVD-432-03J MVD-442-02 MVD-442-03J MVD-452-02 MVD- MVS-492-452-03J MVS-492-02F MVD-492-02F MVD-432-02F MVD-442-02F MVD-452-02F MVS-492-06Y MVS-492-10Y (5)TACO 524系列:524-200-1003 524-300-1003 524-400-1003 524-600-1003 524-200-2003 524-300-2003 524-400-2003 (6)TACO MVS-4900系列 :MVS-4902 MVS-4903 MVD-4902 MVD-4903 4 通锥阀 (1) TACO 460系列(二位置) 463-201-10B0 463-201-20B0 463-301-10B0 463-301-20B0 463-401-10B0 463-401-20B0 463-201-10B2 463-201-20B2 (2) TACO 460系列(三位置) 463-201-30B0 463-301-30B0 463-401-30B0 468-401-30B0 468-801-30B0 468-A01-30B0 46B-A00-31B0 46B-B00-31B0 (3)TACO 360系列(真空用) 363-200-63B0 363-300-63B0 363-400-63B0 368-400-63B0 368-600-63B0 368-800-63B0 368-A00-63B0 36B-A00-63B0 36B-B00-63B0 36B-C00-63B0 368-401-10B2 368-601-21B2 368-600-01B2 368-800-00B0 368-800-00B0 368-600-21B2 368-800-11B0 368-800-21B0 (4) TACO 360系列(高低压转换用) 363-201-81B0 363-301-81B0 363-401-81B0 368-401-81B0 368-601-81B0 368-801-81B0 368-A01-81B0 (5) TACO 392系列 392-200-60B1 392-200-60B4 392-200-02B1 392-200-02B4 392-300-60B1 392-300-60B4 392-300-02B1 392-300-02B4
|
Pipe |
MODEL MUMBER |
Effective Alea |
|
Size |
MONITORLESS |
Mass |
LIMIT SWITCH |
PROXIMITY |
Mass |
[mm2] |
|
|
[kg] |
TYPE MONITOR |
SWITCH TYPE |
[kg] |
|
|
|
|
|
MONITOR |
|
IN-OUT |
OUT-EX |
|
Rc3/8 |
MVS-3503YCG |
3.2 |
MVS-3503YCL |
MVS-3503YCK |
3.5 |
25<1.4> |
105<5.7> |
|
Rc1/2 |
MVS-3504YCG |
MVS-3504YCL |
MVS-3504YCK |
29<1.6> |
172<9.3> |
|
Rc3/4 |
MVS-3506JYCG |
MVS-3506JYCL |
MVS-3506JYCK |
29<1.6> |
180<9.7> |
|
Rc3/4 |
MVS-3506YCG |
3.5 |
MVS-3506YCL |
MVS-3506YCK |
3.9 |
74<4.0> |
335<18.1> |
|
Rc1 |
MVS-3510YCG |
MVS-3510YCL |
MVS-3510YCK |
74<4.0> |
395<21.4> |
|
Rc11/4 |
MVS-3512YCG |
7.5 |
MVS-3512YCL |
MVS-3512YCK |
8.8 |
190<10.3> |
960<51.9> |
|
Rc11/2 |
MVS-3514YCG |
MVS-3514YCL |
MVS-3514YCK |
190<10.3> |
1140<61.6> |
苏州莱曼自动化设备有限公司专业代理经销日本TACO电磁阀,日本TACO气动安全阀,日本TACO模具用电磁阀,日本TACO手动阀,日本TACO双联电磁阀,日本TACO先导阀,日本TACO气动阀,日本TACO手动阀,日本TACO油雾器等产品,欢迎查询!
如需询价!请提供以下资料直接传真给我们(品牌+型号+数量+你的公司名/电话/
传真)等相关资料。我们将在收到资料后做出及时的回复!
苏州莱曼优质服务,诚信经营,品质第一、价格优惠!竭诚为您提供安全,可靠
,完善的售前,售后服务。如有任何关于产品的需求或疑难,欢迎来电来函咨询
!我们将为你提供优质的服务,莱曼承诺:凡我司售出的产品,在非人为情况下
的损坏,均享受一年的质保维修服务!
苏州莱曼(销售部)联系方式: 联系人:陈工 电话:0512-87881518 传真:0512-82092052 手机:13776323120 |